Kies je categorie

Assa vrij/bezet slot 2486

Toepassing
  • Geschikt voor toepassing in toilet- en badkamerdeuren in de utiliteitsbouw.

Specificaties
  • Zeer hoge duurzaamheid; getest op 1 miljoen bedieningen volgens EN12209
  • Stille sluiting door speciaal ontworpen dagschoot
  • Volledig gesloten slotkast voorkomt binnendringen vuil voor lange probleemloze werking
  • Voor links- en rechtsdraaiende deuren door eenvoudig omlegbare dagschoot
  • Spelingsvrije beslagmontage ter voorkoming van een hangende deurkruk
  • Heldere kleurindicatie op zijkant slotkast; blauw is veiligheidsslot, rood is paniekslot, grijs is standaard slot
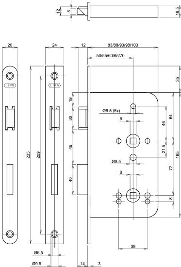
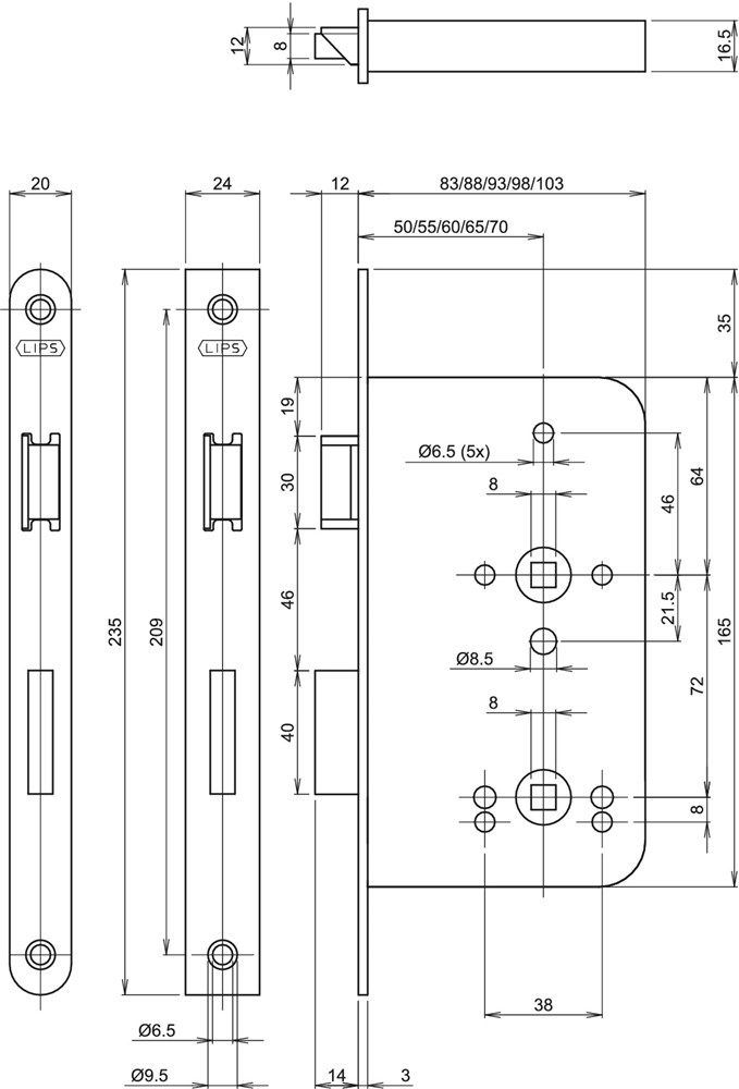
  • Uniforme slotkastafmeting met 2400 serie sloten
  • Staal vernikkelde dagschoot
  • Rechthoekige of afgeronde voorplaat in RVS of staal gelakte uitvoering
Varianten laden...
ProductnummerEANPrijsBeschikbaarheidEenheid
41130228714002896319
41130208714002626671