Kies je categorie
Productbeschrijving
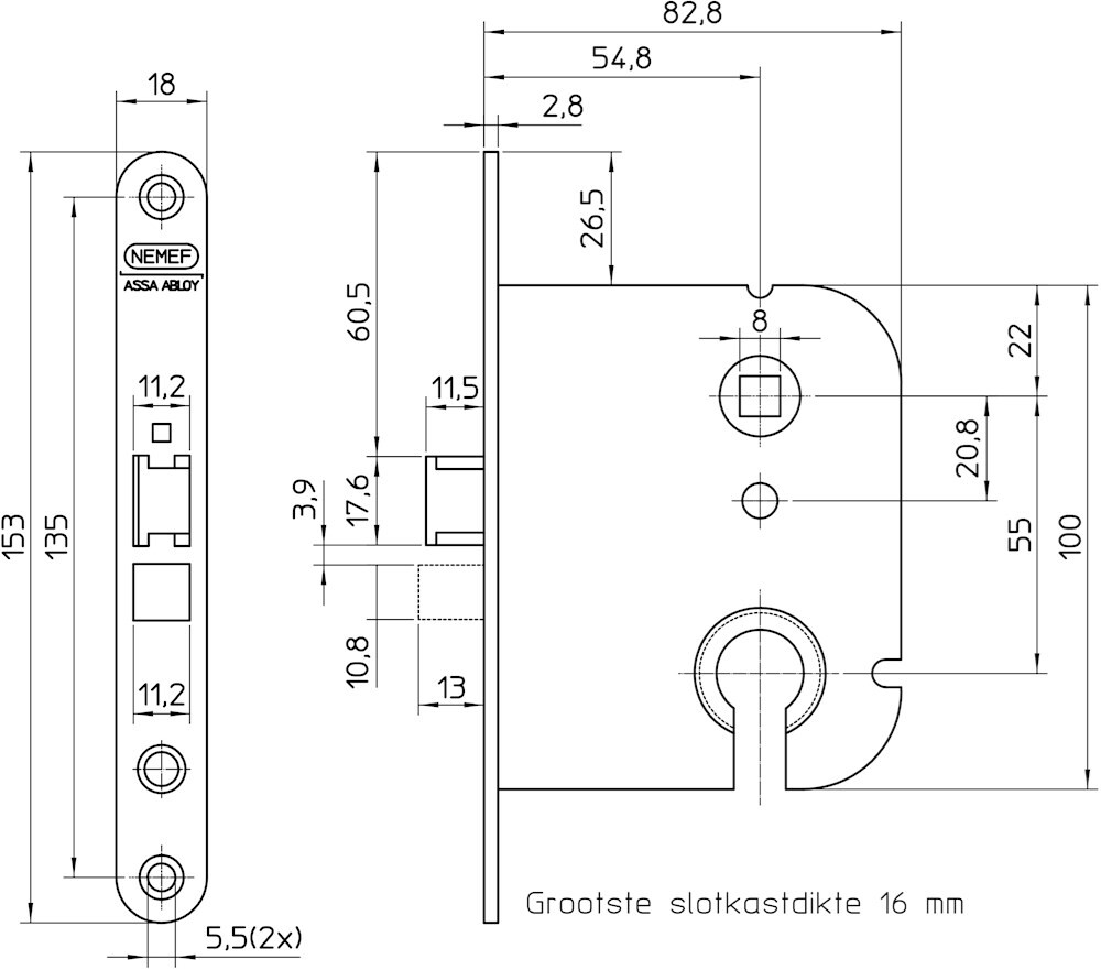
Toepassing
  • Geschikt voor renovatie toepassingen in afsluitbare binnendeuren in de woningbouw. Standaard slotkast met afgeronde staal gelakte voorplaat

Specificaties
  • Voor links- en rechtsdraaiende deuren door eenvoudig omlegbare dagschoot
  • Volledig gesloten slotkast voorkomt binnendringen vuil voor lange probleemloze werking
  • Zamac dagschoot
  • Zamac nachtschoot
  • 17 mm europrofielcilinder
  • Staal gelakte afgeronde voorplaat
  • Levering inclusief sluitplaat P 1446/12

Nemef insteekslot 1449-55mm rs

Merk 2
Fabrikant: Merk 2
EAN-nummer: 8713515178271
Artikelnummer: 4110780
€ 74,52 excl. BTW
Prijs per Stuk van 1 Stuk(s)
Beschikbaarheid: Niet op voorraad: backorder mogelijk